DEVELONDOOSAN.RU
Каталог
Каталог запчастей Doosan
Каталог запчастей Doosan
Гусеничные экскаваторы
Колесные погрузчики
Колесные экскаваторы
Лесозаготовительная техника
Запасные части двигателей

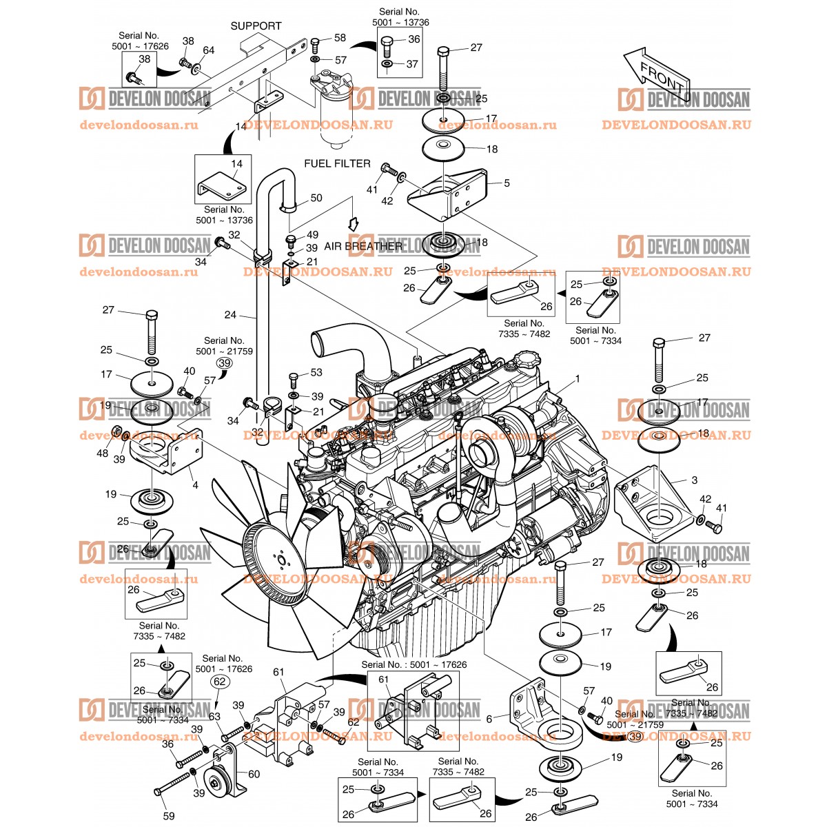
1120 ENGINE MOUNTING

  • 1120 ENGINE MOUNTING
1120 ENGINE MOUNTING

Key Parts No Description
- K1045986A  ENGINE ASS`Y
- 150109-00018  ENGINE ASSY
1 K1000967A  ENGINE-DB58TIS
3 K1000039A  BRACKET;ENGINE MOUNT
3 110427-00210  BRACKET
4 K1000041A  BRACKET;ENGINE MOUNT
4 110427-00212  BRACKET
5 K1000040A  BRACKET;ENGINE MOUNT
5 110427-00211  BRACKET
6 K1000042A  BRACKET;ENGINE MOUNT
6 110427-00213  BRACKET
14 195-02465  BRACKET
14 110406-00740A  BRACKET
14 110406-00740B  BRACKET
17 2114-1929  WASHER
18 161-00548  RUBBER
19 161-00550  RUBBER
21 K1004487  BRACKET
24 K1007551  HOSE
25 2114-9012A  WASHER
25 2114-9012A  WASHER
25 2114-9012A  WASHER
26 195-02643C  SUPPORT;NUT
26 110958-00342  SUPPORT;NUT
26 110958-01083  SUPPORT
26 110958-01083A  SUPPORT,NUT
27 S0771466  BOLT
32 124-00208D6  CLIP
34 K1001029  BOLT,HEX FLANGE
36 S0515366  BOLT,M12X1.75X35
36 S0559153  BOLT M10X1.5X80
37 S5010713  WASHER
38 DS0025015  BOLT,SET
38 S0515066  BOLT,M12X1.75X25
39 S5102603  WASHER
39 S5102603  WASHER
39 S5102603  WASHER
40 S0712366  BOLT
40 S0712266  BOLT
41 S0786366  BOLT
42 S5102703  WASHER,SPRING;M12
42 120804-00077  WASHER,HARD;M12
48 S4032633  NUT
49 S0711866  BOLT
50 S8510044  CLAMP
53 S0511866  BOLT,HEX;M10X1.5X20
57 S5010613  WASHER
57 S5010613  WASHER
57 120804-00076  WASHER,HARD;M10
57 120804-00076  WASHER,HARD;M10
58 S0512266  BOLT
59 S0759853  BOLT
60 130710-00078  PULLEY ASSY,IDLE
61 110402-00075A  BRACKET,COMPRESSOR
61 110402-00123  BRACKET,COMPRESSOR
62 S0758866  BOLT
62 S0758866  BOLT
63 S0759066  BOLT
64 120804-00079  WASHER,HARD;M12

Поставка запасных частей Develon (Doosan) из Южной Кореи

Контакты
Ленинградская область, Всеволожский район, Агалатовское сельское поселение, деревня Скотное
г. Москва ул. Подольских Курсантов д. 15
г. Москва ул. Лобненская д. 15
Sales@DevelonDoosan.ru
п.н - в.с. с 9.00 до 19.00
Место для счетчиков!
© DEVELONDOOSAN.RU - запчасти для спецтехники DOOSAN